数控编程、车铣复合、普车加工、行业前沿、机械视频,生产工艺、加工中心、模具、数控等前沿资讯在这里等你哦
在对数控机床进行编程时,我们必须注意G90和G91代码之间的区别。也称为绝对 (G90) 或增量 (G91) 编程。
这些 G 代码告诉机床控制如何读取测量值。下面我们来看看每一个是如何工作的
G90 绝对定位

G代码G90用于定义绝对定位。当 G90 激活时,机器将从工作基准位置读取所有尺寸和位移。
如果我们发出一个运动指令,例如G00 X100.0 Y100.0;那么机床将在 X 轴和 Y 轴上从基准点向正方向移动 100mm。
如果我们输入G00 X0.0 Y0.0;我们会将主轴/刀具移动到基准位置。
我们发出的每个移动指令都会相对于我们之前设置的基准位置移动刀具。
关于上图。要将刀具从零件左下角的基准移动到位置 A,我们将指定 X 尺寸为 +80。为了继续移动到位置 B,我们将 X 尺寸指定为 +100。
因此,在绝对模式下,每个尺寸均取自指定值。
G91增量定位

当使用 G91 增量定位时,我们命令刀具从当前位置移动,而不是从基准位置移动。
上图显示,要从原点移动到位置 A,我们给出的距离为 80mm,与绝对距离相同。要从位置 A 移动到位置 B,我们需要命令 X 轴沿正方向移动 20mm。
这是因为我们给出的是距刀具位置的距离,而不是基准位置。
我们可以将其视为每次移动后原点或基准移动到刀具的中心。
使用 G90 绝对值编程

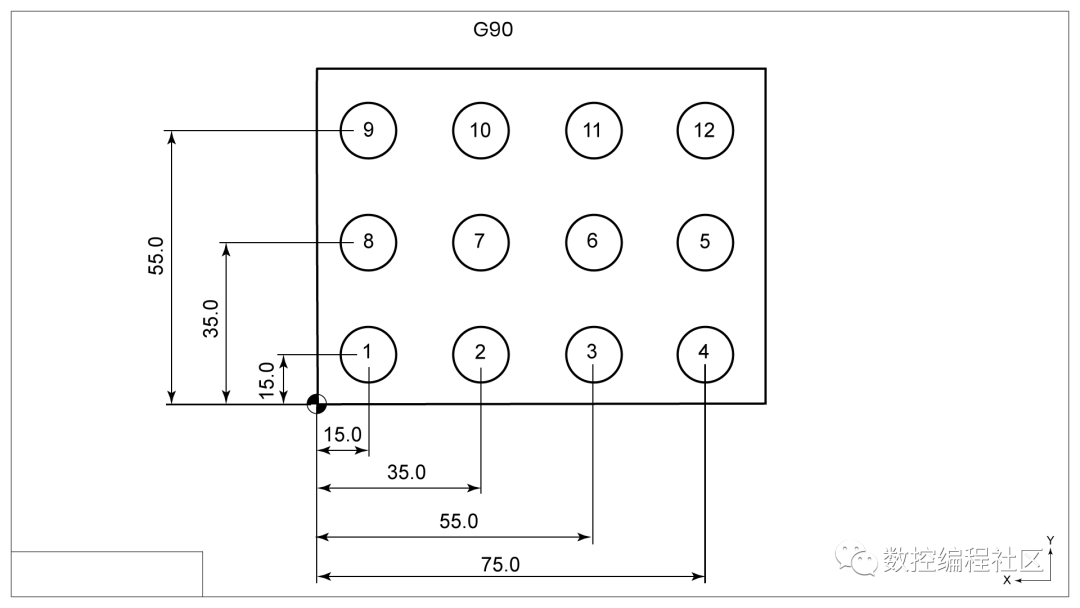
让我们看看如何在该图纸上对孔位置进行编程。
尺寸的布局方式为我们提供了使用绝对系统进行编程所需的一切信息。一切都来自于图纸,就像我们使用G90编程一样。
注意:该程序只是使用绝对 G90 指令移动到图纸上标记的每个位置。该程序不会钻孔
:0002(G90 示例);
N2 T0202(15MM钻头);
G90 G21;
S600 M03;
G00 X15.0 Y15.0(位置 1);
X35.0(位置 2);
X55.0(位置 3);
X75.0(位置 4);
Y35.0(位置 5);
X55.0(位置 6);
X35.0(位置 7);
X15.0(位置 8);
Y55.0(位置 9);
X35.0(位置 10);
X55.0(位置 11);
X75.0(位置 12);
G00 Z50.0;
G28 X0.0 Y0.0 M05;
M00;
每个 X 和 Y 移动命令均从零件左下角的基准位置获取尺寸。
使用 G91 增量编程

现在使用 G91 增量系统编写相同的程序。
此处的绘图显示了使用增量的尺寸。所有尺寸均取自刀具位置而非基准。
:0003(G91 示例);
N2 T0202(15MM钻头);
G90 G21(绝对移动到位置 1);
S600 M03;
G00 X15.0 Y15.0(位置 1);
G91(增量模式);X20.0(位置 2);
X20.0(位置 3);
X20.0(位置 4);
Y20.0(位置 5);
X-20.0(位置 6);
X-20.0(位置 7);
X-20.0(位置 8);
Y20.0(位置 9);
X20.0(位置 10);
X20.0(位置 11);
X20.0(位置 12);
G90(绝对模式);
G00 Z50.0;
G28 X0.0 Y0.0 M05;
M00;
我使用 G90 绝对值将刀具移动到第一个位置,因为此时主轴位置未知,一旦刀具位于第一个孔,G91 在移动期间被激活。
钻孔循环
谈论增量就不能不提到钻孔固定循环。
许多固定循环(例如 G81 钻孔循环)在大多数机床上激活时会自动使用增量(但不是全部,请检查机床说明书)。我们不必通过输入 G91 命令来声明这一点。下面是同一程序的示例,但这次使用的是 G81 钻孔循环。
:0004(G91 示例);
N2 T0202(15MM钻头);
G90 G21;
S600 M03;
G00 G81 X15.0 Y15.0 Z-10.0(位置 1,钻孔循环激活);
X20.0(位置 2);
X20.0(位置 3);
X20.0(位置 4);
Y20.0(位置 5);
X-20.0(位置 6);
X-20.0(位置 7);
X-20.0(位置 8);
Y20.0(位置 9);
X20.0(位置 10);
X20.0(位置 11);
X20.0(位置 12);
G00 Z50.0;
G28 X0.0 Y0.0 M05;
M00;
在第三行,我们用G90选择绝对系统并移动到第一个孔的位置。我们继续使用增量钻所有孔,但不需要选择 G91,因为它是 G81 钻孔循环的一部分。
安全事项
当在程序中的 G90 和 G91 之间切换时,必须小心,不要从一开始就运行程序。减少错误的一个好习惯是在换刀后对 G 代码的每个部分执行任何移动命令之前先声明 G90 或 G91。