目前在做一个可以采集眼动和脑电数据的硬件平台,目前的摄像头就先搞一个USB的就行,先可以处理数据就行。
TI公司的心电专用芯片有ADS129X系列,包括可以面向穿戴应用的ADS1291, ADS1292。ADS129X系列芯片内置24-bit的ADC,具有较高的信号精度,但是应用在穿戴场合的缺点是:这个芯片封装尺寸较大,功耗较大,外围元器件相对较多。另外这个芯片在使用金属电极的心电采集上表现一般,而穿戴应用下金属电极的使用是必然。该系列芯片还有个重大问题是的成本单价较高,特别是缺芯背景下,供货短缺且价格居高不下。
ADS公司的心电专用芯片有ADAS1000和AD8232,其中AD8232面向穿戴应用,而ADAS1000更多为高端医疗设备用。ADAS1000具有和ADS129X相比拟的信号质量,更多的问题功耗较大,外围较为复杂且芯片售价高昂。AD8232从功耗,尺寸上看是比较适合在穿戴应用的,信号质量相对ADS129X系列来说相差较大,同样在金属干电极的应用表现上,也需要有较好的算法。要在穿戴应用场景下使用金属电极,信号准确度一般且有失真,但如果只是获得准确的心率信号这个芯片无非是完全满足的。
芯森微电子推出的KS108X心电专用芯片,从信号精度、芯片功耗和封装尺寸上来看具有较好的穿戴心电监测应用前景。该系列芯片包含用于单通道信号采集的KS1081和用于双通道信号采集的KS1082。该芯片具有较低的噪声,100uA左右的功耗,较大范围的可调放大倍数,以及3mm*3mm的尺寸,且外围元件只有4-5个,很少。
特别值得一提的是该系列芯片有高达G欧姆的输入阻抗,因此能够支持金属干电极或者织物电极实现心电信号采集,这一主要特点正是穿戴心电监测应用除了信号精度之外最关键的核心要素。

看数据手册是对的
这样的参数对接收微小信号非常有利。这种高输入阻抗的主要优点包括:
减少信号衰减:高输入阻抗意味着电流通过该电阻的量非常小,从而减少了信号的衰减。这对于维持微小脑电信号的完整性至关重要,因为这些信号的强度通常非常微弱,任何显著的衰减都可能导致重要信息的丢失。
降低加载效应:在电子电路中,当一个电路段(如传感器或芯片)连接到另一个电路段时,第二个电路段可能会对第一个电路段产生所谓的“加载效应”,这可能会改变原始电路的性能。高输入阻抗可以最小化这种加载效应,从而保持原始信号源(如大脑)的特性不变。
提高灵敏度:对于脑电信号这类微弱信号,高输入阻抗可以提高接收设备的灵敏度,使其能够检测到更加微弱的电信号变化。
减少噪声和干扰:高输入阻抗有助于减少由电缆、连接器或其他电路组件引入的噪声和干扰。这在维持信号的清晰度和准确度方面至关重要。
适用于高阻抗信号源:大脑本身就是一个高阻抗的信号源。使用与信号源阻抗匹配的接收设备可以优化信号传输和接收效果。
减少能量消耗:由于流过高阻抗电阻的电流较小,因此在信号接收过程中的能量消耗也会相对较低。
从测试来看,KS1081芯片能够在手腕手指心电采集上加上简单50Hz滤波,可以拿到很不错的心电ECG完整波形,包括PQRST波。因此在穿戴应用环境下,兼顾考虑体积,功耗续航和信号完整性和精度,整体上来讲,比较适合穿戴心电产品应用的,如手环手表心电,手持式心电,心电带等。
脑电这块,我找到了一个厂家:

在坪山,以前就不知道。。。

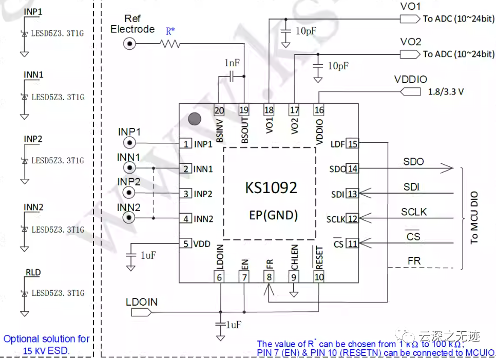
KS1091/KS1092是一个集成的单/双通道前端,用于小生物电位监测的信号调理。
每个通道由一个高输入阻抗的缓冲器、一个带通放大器(BP-AMP)和一个低噪声和可编程增益放大器(PGA)组成。
KS1091/ KS1092包含一个专门的带通放大器,具有适合低频生物电位的带宽,以及一个优化的低噪声放大器,具有可通过串行外设接口(SPI)配置的宽范围增益设置。
为了抑制不希望的噪声和干扰,该集成电路还集成了一个偏置驱动放大器(bias - amp),高精度参考和低噪声低差稳压器(LDO)。
KS1091/KS1092具有高直流输入阻抗,允许通过消能阻抗隔离设计技能进行生物电位采集的直流耦合输入。
该功能在实际应用中支持干接触电极的信号输入。内置的BP-AMP放大脑电图信号,同时抑制直流偏置和电极半电池电位在同一阶段。
因此,输入端的直流偏置高达360毫伏,不会使信号通道饱和。同时,通过间接电流反馈架构,可以放大双电位并抑制直流信号,与传统实现相比,减小了尺寸和功率。然后,通过合理的增益设置,PGA可以获得具有大电压动态范围的信号,这些信号可以很容易地被模数转换器(ADC)或微控制器中的嵌入式ADC捕获。

加了小电容还能狠狠的抑制工频干扰
这玩意儿关键是性价比较高,我这里会打板测试,感兴趣的可以找我买。

其实不便宜了

很小巧
#可穿戴、便携式脑电波EEG设备;
#脑机接口(BCI)设备,如脑电图头盔、脑控设备、耳机等;
#注意力/冥想训练;
#睡眠监测;
#脑功能/脑电波EEG科学研究,多通道脑电波EEG设备;
#其他微伏/毫伏级微弱信号检测;

元件是比较少的,属于是接电就可以使用的样子

另外是心电也可以顺手做了

另外还有这个PCB的设计也有趣


这个是金的!!!干电极