首页
学习
活动
专区
圈层
工具
发布
社区首页 >专栏 >LT3042对DCDC的输出后置稳压

LT3042对DCDC的输出后置稳压

作者头像
云深无际
发布2025-06-08 16:57:22
发布2025-06-08 16:57:22
3940
举报
文章被收录于专栏:云深之无迹云深之无迹

云深之无迹

纵是相见,亦如不见,潇湘泪雨,执念何苦。

1677篇原创内容

公众号

关于LT3042 其实还有半个没有写完,大家平时都是随口一说,DCDC前级+LDO后级,但是这么多的细节,你都考虑到了吗?

为什么需要对开关电源实施后置稳压,就是效率和精度,既要又要。

高效率的开关电源提供主要功率;用超低噪声、高 PSRR 的 LT3042清洗纹波和噪声,实现“干净电源”。

开关电源优势

同时也存在的问题

高效率(80~95%)

存在 高频噪声纹波(10kHz–10MHz)

可大电流供电

低 PSRR,无法抑制电磁干扰传导

可调输出

负载变化会影响输出稳定性

代码语言:javascript
复制
主电源输入(如 12V)
    │
 [开关电源]  输出:5V(存在高频噪声)
    │
   π 滤波器(L+C,可选)
    │
[LT3042 稳压器] → 输出:3.3V(超低噪声,稳定)
    │
  模拟电路 / ADC / PLL / RF

不是所有的LDO都适合干这个

我们的目标是抑制DCDC上面的干扰,需要LDO在PSRR这个参数上面非常的出众。

对LT3042来说与传统 LDO 不同,当接近压差时,其 PSRR 性能会下降至数十 dB,而 LT3042 即使在较低的输入至输出压差下也能保持高 PSRR。

image-20250601230341024
image-20250601230341024

不同负载电流下的 PSRR

高达 2MHz 的频率下,输入至输出压差仅为 1V 时仍能保持 70dB 的 PSRR;

高达 2MHz 的频率下,输入至输出压差仅为 600mV 时,PSRR 接近 60dB。

这种能力使 LT3042 能够在低输入至输出压差下对开关转换器进行后级调节,以实现高效率,同时其 PSRR 性能能够满足噪声敏感型应用的要求。

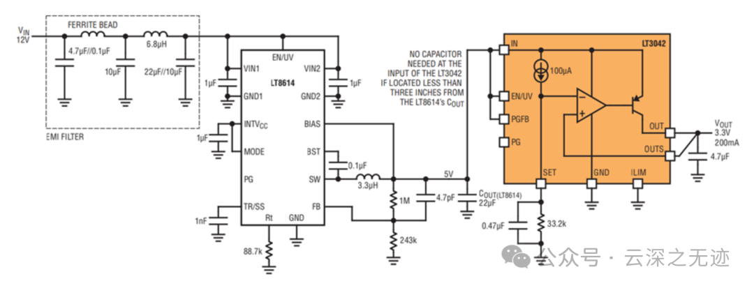
LT3042 后置调节 LT8614 Silent Switcher 稳压器
LT3042 后置调节 LT8614 Silent Switcher 稳压器

LT3042 后置调节 LT8614 Silent Switcher 稳压器

LT3042 对运行频率为 500kHz 的 LT8614 Silent Switcher® 稳压器进行后置稳压,并在开关稳压器输入端配备一个 EMI 滤波器。LT3042 距离开关转换器及其外部组件仅一到两英寸,无需任何屏蔽即可在 500kHz 下实现近 80dB 的抑制。

image-20250601231727370
image-20250601231727370

加不加电容的纹波

然而,为了实现这一性能,如上图a所示,除了开关电源输出端的 22µF 电容外,无需在 LT3042 的输入端放置任何额外的电容。

然而,如图 b 所示,即使直接在 LT3042 的输入端放置一个 4.7µF 的小电容,也会导致 PSRR 降低 10 倍以上。

LT8614(DCDC降压)

频率:500 kHz 开关

输出电容:22 μF

LT3042(后置线性稳压器)

紧邻 LT8614(1–2 inch 内)

无额外输入电容(Vin 脚没有 4.7μF 或更大)

结果:在 500 kHz 条件下,仍然实现了接近 80 dB 的 PSRR

是不是很反直觉?印象中加了电容好像就纹波会改善一下。

配置

描述

PSRR 结果

图 a

无 Vin 附加电容(仅 22μF 在 DCDC 输出)

接近 80 dB

图 b

Vin 上加了 一个 4.7μF 电容

PSRR 降低超 10 倍(≈ 60 dB)

🤔 为什么加一个输入电容反而让 PSRR 恶化?

这背后的关键是:高频磁耦合路径+输入 AC 电流的“陷阱”效应

普通直觉:

加电容 → 降低电压纹波 → 更干净?

是的,但这只成立于“纹波通过电压路径传导”时有效。

实际发生的情况是:

原始架构(图a):

LT3042 的 Vin 由于其高输入阻抗 + 没有 Vin 储能电容:高频纹波(500kHz)无法在其输入形成闭合环路;高频电流几乎无法“灌入” LT3042;所以 LT3042 的内部 PSRR 能工作得很好 。

加 4.7μF 后(图b):

电容成了 感应耦合电流的“着陆点”(磁场→感应电压→容性耦合)

开关环路产生的高频电流(几 MHz 的 dv/dt)在走线中感应电压 → 再通过 Vin 电容形成环路注入 LDO→ LT3042 看到输入端有“真实的高频电流扰动”→ PSRR 机制被击穿,输出出现 >10 倍纹波恶化

这其实是一个 典型的磁耦合问题,而非传统的压降/纹波问题

电压耦合 :输入电压纹波通过 VIN-VOUT 被 PSRR 阻断

磁耦合  :高频尖峰通过开关电流环路感应 → 电容或走线 → OUT

非线性导入: 不是从 Vin “压过来”,是直接穿透绕过 PSRR 传导

在追求 >70 dB PSRR + 紧凑板载空间的实际系统中,“电容不是越多越好”

LT3042 的架构让它对电压路径抗性强,但对“磁感应注入路径”是被动接受布局和连接拓扑决定是否有效

上面只是一颗电容的事情,其实还写了关于Layout之间的事情。

原文

在那些采用 LT3042 对开关转换器的输出进行后置稳压以在高频条件下实现超高 PSRR 的应用中,必须谨慎地对待从开关转换器至 LT3042 输出的电磁耦合。

这类应用中你依赖 LT3042 在 MHz 级别仍维持 >70 dB PSRR但高频磁场耦合绕过 VIN-PSSR 路径、耦合到 GND、OUT 或 SET 脚时,PSRR 不再有效!

所以你必须从源头(开关电源部分)抑制辐射耦合路径

原文

特别地,不仅开关转换器的“热环路”(hot-loop)应尽可能地小,由开关电源 IC、输出电感器和输出电容器形成的“暖环路”(warm-loop)(AC 电流在高开关频率下流动)也应该尽量地缩小……

热环路(hot-loop):

开关器件(MOSFET)→ CIN → GND → MOSFET 的高频尖峰环路

是 EMI 最强 的路径,频率通常为开关频率 + 尖峰谐波(几 MHz)

暖环路(warm-loop):

输出电感 → COUT → 负载,这部分虽然电压变化不大,但电流变化快;如果线圈/走线宽而散 → 会成为高频磁场干扰源,磁耦合进入 LT3042 OUT/GND

你不只需要缩短 Hot-loop,还必须缩短“暖环路”面积,否则 EMI 会“穿越” PSSR 防线。

总之就是要小,要不影响别人
总之就是要小,要不影响别人

总之就是要小,要不影响别人

原文

而且应对其进行屏蔽或将其布设在距离超低噪声器件(比如:LT3042 及其负载)几英寸的地方。

推荐物理空间隔离或金属层屏蔽(如 GND Plane 上层包围)

实际中,如果“暖环路”离 LT3042 的 OUT/SET 节点太近,会以感应方式耦合进入输出

这种耦合路径无法靠 PSSR 阻断,因为它不是通过 VIN 来的,而是直接“注入”OUT

原文

虽然 LT3042 相对于“暖环路”的取向可为实现最小的磁耦合而优化,但在现实中仅仅利用优化的取向来实现 80 dB 抑制会十分困难,有可能需要进行 PC 板的多次迭代。

ADI 建议将 LT3042 的布局旋转一定角度使其 OUT/GND 方向垂直于干扰源磁场方向(减少 dΦ/dt 交链面积)

但是:实际上板子上干扰源方向复杂;空间限制导致隔离困难;追求 >70 dB 抑制(尤其是 >1 MHz)时,靠取向优化是不够的

总结一下,就是让DCDC不要影响其他器件:

项目

推荐实践

减少 Hot-loop 面积

MOSFET + CIN + GND 脚之间走线应尽量靠近、宽、短

减少 Warm-loop 面积

L + COUT + GND 环路同样要小,避免磁场扩散

控制磁场方向

让 LT3042 的 OUT/GND/SET 方向 与感应磁场正交(旋转布局)

使用 π 滤波器

在 DCDC 输出和 LT3042 之间串联 L + C,削弱 VIN 高频耦合

LT3042应该是写差不多了,共模的应该也是这样做的。所以这个电源还是挺复杂的。

LT3042(ADI 旗下极低噪声LDO经典代表)

LT3042的低噪音如何练成?(LDO构架分析)

LT3046 VS LT3042 的升级版本

LT3042关键参数如何测量以及若干滤波器仿真

https://www.analog.com/media/en/technical-documentation/data-sheets/ad7177-2.pdf

本文参与 腾讯云自媒体同步曝光计划,分享自微信公众号。
原始发表:2025-06-02,如有侵权请联系 cloudcommunity@tencent.com 删除

本文分享自 云深之无迹 微信公众号,前往查看

如有侵权,请联系 cloudcommunity@tencent.com 删除。

本文参与 腾讯云自媒体同步曝光计划  ,欢迎热爱写作的你一起参与!

评论
登录后参与评论
0 条评论
热度
最新
推荐阅读
目录
  • 不是所有的LDO都适合干这个
  • 🤔 为什么加一个输入电容反而让 PSRR 恶化?
    • 普通直觉:
    • 实际发生的情况是:
      • 原始架构(图a):
      • 加 4.7μF 后(图b):
  • 这其实是一个 典型的磁耦合问题,而非传统的压降/纹波问题
    • 原文:
    • 原文:
      • 热环路(hot-loop):
      • 暖环路(warm-loop):
    • 原文:
    • 原文:
领券
问题归档专栏文章快讯文章归档关键词归档开发者手册归档开发者手册 Section 归档