
周报汇总地址:http://www.armbbs.cn/forum.php?mod=forumdisplay&fid=12&filter=typeid&typeid=104

更新一期视频教程
BSP视频教程第29期:J1939协议栈CAN总线专题,源码框架,执行流程和应用实战解析,面向车通讯,充电桩,模组通信等(2024-01-08) https://www.armbbs.cn/forum.php?mod=viewthread&tid=122539
视频版:
https://www.bilibili.com/video/BV15K411v7Zk
周报目录
1、嵌入式系统开发C代码参考指南,旨在提升C语言编写的源码质量 2、开放式ECU控制模块,适用于各种车辆和内燃机类型的开放式电子控制模块 3、开源USB PD供电mini SMD回流焊加热板 4、ThreadX全家桶仓库正式更名Eclipse ThreadX,免费商用模式开启 5、8块树莓派Pico并行运算测试 6、有意思的电阻表小设计,读取带颜色条电阻,显示阻值,显示色条并喇叭读出数值 7、SEEGER推出了个FAT镜像文件创建小软件 8、老式电子设备图书 9、H7-TOOL本周进展 (1)H7-TOOL的J1939通用版解析功能操作说明V1.0,已发布,含J1939视频教程 (2) H7-TOOL的250M示波器模组进展 (3)初步实现H7-TOOL高速HID免驱串口桥接各种第3方串口软件,预计下个版本固件发布 (4)酝酿已久的H7-TOOL的Matlab联调功能考虑近期开始整, TOOL将开始集成DSP处理LUA接口函数
1、嵌入式系统开发C代码参考指南,旨在提升C语言编写的源码质量
这本书有200页,图文并茂,从可维护性,可阅读性,可移植性和高效进行探讨
嵌入式系统开发C代码参考指南.pdf (3.7 MB)





2、开放式ECU控制模块
适用于各种车辆和内燃机类型的开放式电子控制模块
https://github.com/aeonSolutions ... -Hardware/tree/main
open_ecu_by_aeonlabs.pdf (1.03 MB)
当前还在持续的更新中,更新规划如下:

效果:

3、开源USB PD供电mini SMD回流焊加热板
https://github.com/tobychui/MCH-PD-Automatic-Reflow-Hotplate
这是一款 低成本的 PD 供电回流焊加热板,使用金属陶瓷加热器 (MCH) 代替 PCB 加热板进行加热。它具有 USB C 型输入端口,可由 60W (65W) PD 电源供电
规格:

效果:





4、ThreadX全家桶仓库正式更名Eclipse ThreadX,免费商用模式开启
https://github.com/eclipse-threadx

5、8块树莓派Pico并行运算测试
https://ece4760.github.io/Projects/Fall2023/ir93_rak277/index.html
根据作者的测试,将 8 个 Picos 连接在一起,与单个 Pico 上的计算相比,测试Demo计算速度提高了约 4 倍

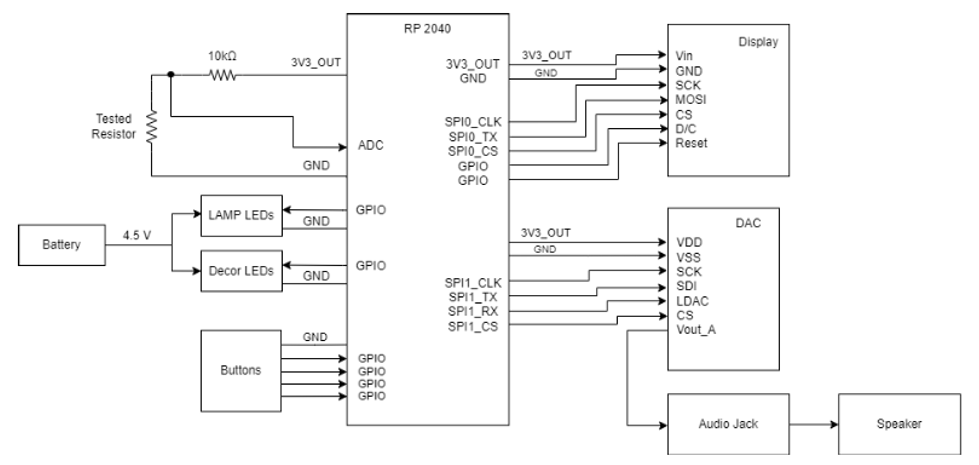
6、有意思的电阻表小设计,读取带颜色条电阻,显示阻值,显示色条并喇叭读出数值
相关下载在下面链接的末尾
https://ece4760.github.io/Projects/Fall2023/gyc22_sl2383/Final%20Report.html
适合作为初学时练手小设计.
设计框图:


实物效果:

7、SEEGER推出了个FAT镜像文件创建小软件
https://www.segger.com/products/file-system/emfile/storage-image-creator-fat/
非常适合用在SPI Flash或者QSPI Flash预装FAT格式镜像。出厂批量下载比较方便。当然,如果设备支持Flash模拟U盘,也可以方便的将镜像读取出来,就不需要这个小软件了。
另外,当前官网没有提供下载位置。

8、老式电子设备图书
搜集整理了很多老式设备的内部拆解图,特别是泰克示波器,尤其多。
http://www.k100.biz/parade.htm

看到一个泰克早期5MHz的手持示波器,还挺好看


9、H7-TOOL本周进展
H7-TOOL详细介绍:https://www.armbbs.cn/forum.php?mod=viewthread&tid=89934
(1)H7-TOOL的J1939通用版解析功能操作说明V1.0,已发布,含J1939视频教程
https://www.armbbs.cn/forum.php?mod=viewthread&tid=122456

(2) H7-TOOL的250M示波器模组进展
大部分功能已经差不多了,现在主要是增益和衰减参数配置效果还不太好,重新设计一版硬件,待测

(3)初步实现H7-TOOL高速HID免驱串口桥接各种第3方串口软件,预计下个版本固件发布
基于com0com实现。这样可以TOOL的高速HID免驱串口就可以接各种第3方串口软件。

这种方式下,WiFi,以太网,局域网和外网方式玩法不受影响

(4)酝酿已久的H7-TOOL的Matlab联调功能考虑近期开始整, TOOL将开始集成DSP处理LUA接口函数
一直忙于其它的功能,没时间搞,近期准备开始搞,这将是H7-TOOL的又一个重要功能。
Matlab使用以太网或者WiFi方式连接TOOL非常方便,这种玩法在我们分享的第2版DSP教程里面已经做过分享。
剩下要做的就是制作一个综合的LUA脚本,可以将SWD, CANFD, I2C, 示波器, UART, SPI等采集的数据全部交给Matlab处理,这个思路是完全没问题的。
最后就是考虑做个Matlab上位机界面效果,方便使用。大家可以对数据做各种算法处理。
