STM32是ST公司基于ARM Cortex-M内核开发的32位微控制器,常应用在嵌入式领域,如智能车、无人机、机器人、无线通信、物联网、工业控制、娱乐电子产品等。
ARM既指ARM公司,也指ARM处理器内核,ARM公司设计ARM内核,半导体厂商完善内核周边电路并生产芯片,全世界超过90%的智能手机和平板电脑都采用ARM架构。


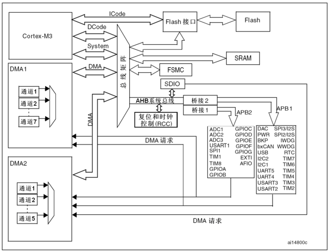
系列:STM32F1 内核:ARM Cortex-M3 主频:72MHz RAM:20K(SRAM) ROM:64K(Flash) 供电:2.0~3.6V(标准3.3V) 封装:LQFP48




