首页
学习
活动
专区
圈层
工具
发布
社区首页 >专栏 >[oeasy]python0105_七段数码管_7_SEGMENT_数码管驱动_4511

[oeasy]python0105_七段数码管_7_SEGMENT_数码管驱动_4511

原创
作者头像
oeasy
发布2023-03-11 22:12:29
发布2023-03-11 22:12:29
6590
举报

七位数码管 回忆上次内容

  • 上次回顾了
  • 指示灯
  • 辉光管
  • 并了解了 驱动(driver)
  • 驱动 就是
  • 控制设备 工作的人(模块)
  • 辉光管离我们的生活很远了

添加图片注释,不超过 140 字(可选)

  • 辉光管
  • 离我们生活 太远
  • 有没有
  • 生活中 更近一些的东西 呢?
  • 一种 数字显示方式
  • 很常见

发展过程

  • 1970年代
  • 国外开始广泛使用

添加图片注释,不超过 140 字(可选)

  • 逐步应用到
  • 电子钟表
  • 电子琴
  • 计算器
  • 养生壶

数码管

  • 计算器

添加图片注释,不超过 140 字(可选)

具体应用

  • 显示面板中 经常见到

添加图片注释,不超过 140 字(可选)

  • 豆浆机

添加图片注释,不超过 140 字(可选)

  • 健身器械
  • 测量器械

配合 LED

  • Led
  • 可以显示 开关
  • 数码管
  • 可以显示 数字

添加图片注释,不超过 140 字(可选)

  • 这是什么原理呢?

7-Segment

  • 数码管 全称
  • 7-segment 七段数码管
  • 总共由 7个 发光二极管 组成

添加图片注释,不超过 140 字(可选)

  • 接收 7-bit 输入信号

添加图片注释,不超过 140 字(可选)

  • 不同的数字
  • 需要点亮
  • 不同的LED组合

显示原理

  • 不同的数字
  • 点亮 不同的LED组合

添加图片注释,不超过 140 字(可选)

  • 七段数码管(7-segment)
  • 对应真值表

添加图片注释,不超过 140 字(可选)

  • 如何才能 驱动(drive)
  • 这个 设备(device) 呢?

字型编码

添加图片注释,不超过 140 字(可选)

  • 就可以得到7位数码管的字型

添加图片注释,不超过 140 字(可选)

  • 这种输出设备如何驱动呢?

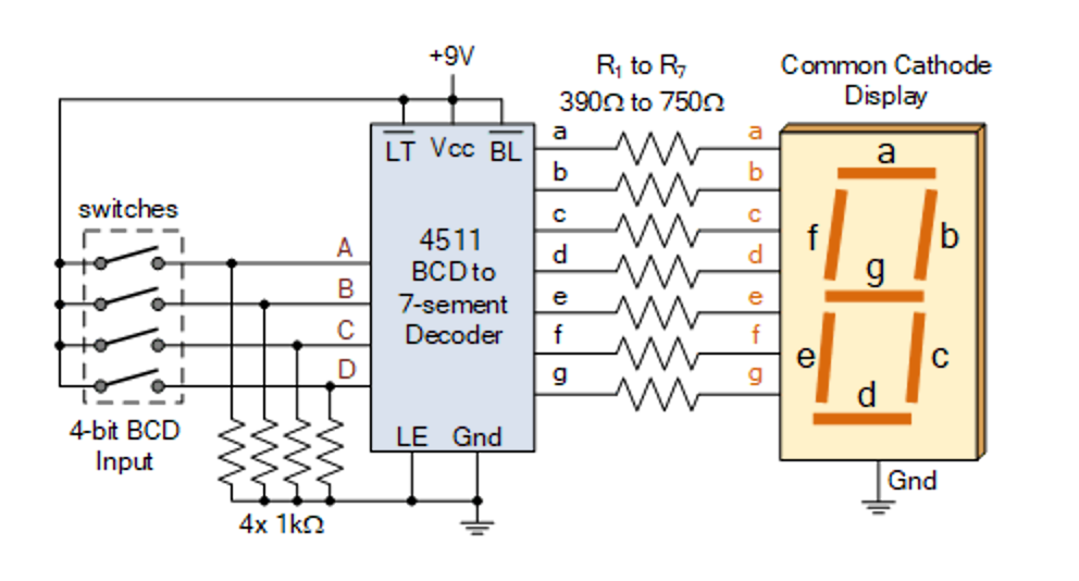
数码管驱动电路

  • 使用4511 作为 驱动(driver)

添加图片注释,不超过 140 字(可选)

  • 很多应用就是显示固定的数字
  • 非常明确好用

具体应用

  • 回忆起
  • 担心赶不上 300路末班 的心情
  • 黑夜里 看见 发光二极管
  • 真是 太开心了

添加图片注释,不超过 140 字(可选)

  • 当时 57路 转 300路
  • 再叠加 早晚高峰
  • 真的 不容易!!!
  • 4511 为什么能驱动呢?

4511 原理

  • 需要 实现 输入4-bit bcd码
  • 输出 7-bit字型信息码
  • 需要构建如下真值表

添加图片注释,不超过 140 字(可选)

电路实现

  • 使用 逻辑门
  • 实现 真值表
  • 集成在 一个模块 中
  • 形成 驱动(driver) 电路

添加图片注释,不超过 140 字(可选)

  • 使用 硬(Hard)编码(Coded) 驱动
  • 直接蚀刻成驱动芯片
  • 显示的数字
  • 可以变化 吗?

使用单片机软解码

  • 选用80c51芯片
  • 一个8-bit的io口(PA口)
  • 负责输出具体的字型
  • 另一个8-bit的io口(PB口)
  • 利用6-bit 负责选片
  • 设置所选择的具体数码管
  • 然后输出

添加图片注释,不超过 140 字(可选)

  • 51单边机 比4511贵得多
  • 不过功能更强大

步入生活

  • 应用7-seg的地方 越来越多

添加图片注释,不超过 140 字(可选)

  • 街头 开始
  • 能够 看到 数码管的设备

添加图片注释,不超过 140 字(可选)

  • 这样 数码管的字形
  • 就可以设置了
  • 而且可以报时

高分辨率时代

  • 即使今天
  • 到了 高分辨率 液晶时代

添加图片注释,不超过 140 字(可选)

  • 这种数码管风格的 显示方法
  • 还是 那么硬核

总结

  • 这次回顾了 7-seg
  • 七位数码管
  • 可以显示数字
  • 甚至是十六进制数字

添加图片注释,不超过 140 字(可选)

原创声明:本文系作者授权腾讯云开发者社区发表,未经许可,不得转载。

如有侵权,请联系 cloudcommunity@tencent.com 删除。

原创声明:本文系作者授权腾讯云开发者社区发表,未经许可,不得转载。

如有侵权,请联系 cloudcommunity@tencent.com 删除。

评论
登录后参与评论
0 条评论
热度
最新
推荐阅读
领券
问题归档专栏文章快讯文章归档关键词归档开发者手册归档开发者手册 Section 归档