首页
学习
活动
专区
圈层
工具
发布
首页
学习
活动
专区
圈层
工具
MCP广场
社区首页 >问答首页 >带最小门的表达式(!a &b& b) x\x (!a & c) x (b & c)

带最小门的表达式(!a &b& b) x\x (!a & c) x (b & c)
EN

Stack Overflow用户
提问于 2021-12-29 11:50:52
回答 2查看 212关注 0票数 1

我想要创建一个逻辑电路

(!a && b) || (!a && c) || (b && c)

尽可能少地使用逻辑门(~ a nand ) nand NOTANDORNANDNORXORNXOR。栅极类型可以混合。我已经找到了一些在线计算器,它们可以将上面的表达式转换为NANDs,只有如下所示

(!a nand b) nand (!a nand c) nand (b nand c)

但我不知道是否有办法做到这一点,使用不到四个门。

EN

回答 2

Stack Overflow用户

发布于 2021-12-30 10:57:09

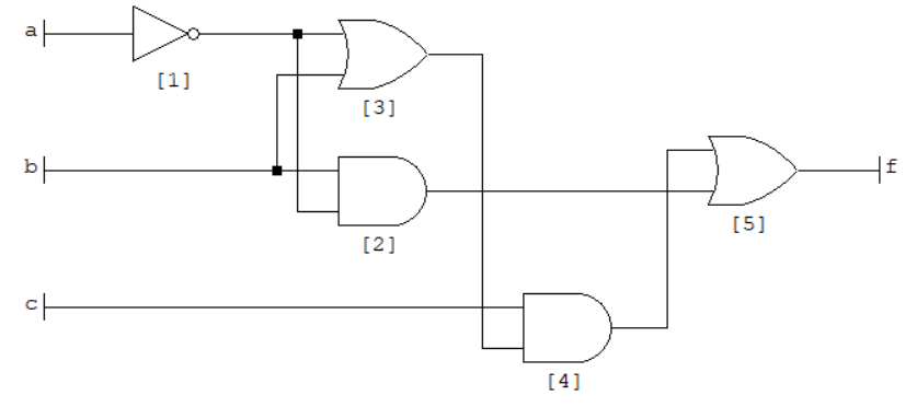
四个门和一个逆变器似乎是最小的:

这个结果是由逻辑星期五1创建的。

代码语言:javascript
运行
复制
Entered:
f = (!a & b) | (!a & c) | (b & c);

Minimized:
f = a' b  + a' c + b c;
票数 1
EN

Stack Overflow用户

发布于 2022-02-12 16:10:40

它似乎不能再最小化了:a'b + c(a' + b),甚至可以按下面的a'(b + c) + bc编写

它实际上与a'b + a'c + bc相同(有相同的真值表)。

票数 0
EN
页面原文内容由Stack Overflow提供。腾讯云小微IT领域专用引擎提供翻译支持
原文链接:

https://stackoverflow.com/questions/70518994

复制
相关文章

相似问题

领券
问题归档专栏文章快讯文章归档关键词归档开发者手册归档开发者手册 Section 归档