首页
学习
活动
专区
圈层
工具
发布
首页
学习
活动
专区
圈层
工具
MCP广场
社区首页 >问答首页 >Verilog/SystemVerilog中的锁存推断

Verilog/SystemVerilog中的锁存推断
EN

Stack Overflow用户
提问于 2015-01-24 22:40:17
回答 1查看 4.3K关注 0票数 1

过程块中的语句是连续执行的,所以为什么没有任何block1、block2或block3推断锁存?

代码语言:javascript
运行
复制
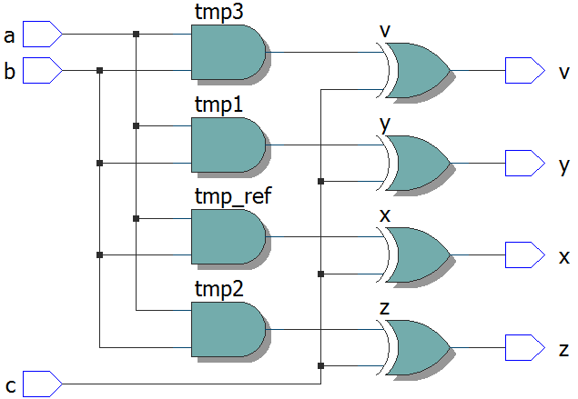
module testing(
    input  logic a, b, c,
    output logic x, y, z, v
    );

    logic tmp_ref, tmp1, tmp2, tmp3;

    //reference
    always_comb begin: ref_block
        tmp_ref = a & b;
        x = tmp_ref ^ c;
    end

    always_comb begin: block1
        y = tmp1 ^ c;
        tmp1 = a & b;
    end

    always @(*) begin: block2
        tmp2 <= a & b;
        z = tmp2 ^ c;
    end

    always @(c) begin: block3
        tmp3 = a & b;
        v = tmp3 ^ c;
    end
endmodule: testing

在block1中,y是在tmp1的新值可用之前使用阻塞赋值计算的。

在block2中,tmp2是使用非阻塞赋值计算的,它应该将赋值推迟到始终块完成时。同时,使用阻塞赋值计算z,tmp2的新值还不可用。

在block3中,有一个不完全的灵敏度列表,并且仍然没有锁存。

以下是Quartus II 14.1的综合结果:

只有当我添加这个块时,才会推断出一个闩锁:

代码语言:javascript
运行
复制
//infers a latch
always @(*) begin: block4
    if (c == 1'b1) begin
        tmp4 = a & b;
        w = tmp4 ^ c;
    end
end

请有人解释一下,为什么不完整的灵敏度列表或在更新值之前使用变量不能推断组合块中的锁存器?

EN

回答 1

Stack Overflow用户

回答已采纳

发布于 2015-01-24 23:45:51

组合块中使用的赋值类型不会影响合成。使用非阻塞(<=)可能会导致RTL (预合成)门(后合成)模拟器错配.

对于敏感列表也是如此,合成将给出自动生成或完整列表的行为。

在时钟过程(@(posedge clk))中,使用非阻塞(<=)来获得触发器的模拟行为。在时钟过程中也可以使用阻塞(=),但是混合样式被认为是一种糟糕的编码实践。组合部分代码被移动到一个单独的组合块(always @*)中。

锁存器是一个基本的存储器元件,如果电路不需要内存,那么它就不会被推断。

例如:

代码语言:javascript
运行
复制
always @* begin: 
    v = (a & b) ^ c;
end

v完全由输入定义,不涉及内存。与以下方面相比:

代码语言:javascript
运行
复制
always @* begin
  if (c == 1'b1) begin
    w = (a & b) ^ c;
  end
end

c为0w时,必须保存它的值,因此可以推断出锁存。

值得注意的是,虽然锁锁不坏,但必须注意打开和关闭时的时间,以确保它们捕获正确的数据。因此,推断锁存通常被看作是坏的,并且是来自糟糕的编码。

SystemVerilog具有以下语法,用于语义上暗示设计意图:

代码语言:javascript
运行
复制
always_latch begin
  if (c == 1'b1) begin
    w = (a & b) ^ c;
  end
end
票数 4
EN
页面原文内容由Stack Overflow提供。腾讯云小微IT领域专用引擎提供翻译支持
原文链接:

https://stackoverflow.com/questions/28131084

复制
相关文章

相似问题

领券
问题归档专栏文章快讯文章归档关键词归档开发者手册归档开发者手册 Section 归档