
点击上方“高速公路那点事儿”,再点击右上角的“···”,选择设为星标,文章自动推送
《公路避险车道设计规范》(JTG/T 3381-05-2025), 作为公路工程推荐性行业标准,自2025年10月1日起施行。《公路避险车道设计规范》(JTG/T 3381-05-2025)的管理权和解释权归交通运输部,日常管理和解释工作由主编单位交通运输部公路科学研究院负责。
避险车道:在公路行车道外侧增设的、供制动失效车辆驶离、减速停车、自救的专用车道。
避险车道的设施设置:

应设置引道、制动床、交通安全设施、端部消能设施、排水设施,宜设置监控设施、救援车道、照明设施。
目前来说原有的避险车道一般在引道设置了路段,但是在制动床区域没有设置照明设施,原有的避险车道设施布置图:

但是随着智慧高速的建设,此类照明设施应建设,供电不是问题。
照明设施跟车辆检测系统联动,当车辆进入避险车道后,低照度情况下自动启用照明。
关于照明设施的设置,标准中是如下描述:

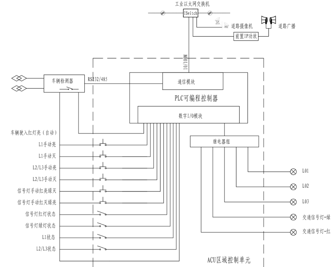
一般在避险车道增加了落地机构,内置PLC、交换机、电源等设备。核心就是PLC,通过PLC实现广播、车检器、交通信号灯的联动控制,控制逻辑简单,整体控制原理图如下:

监控设施的功能可包括下列功能:
1.驶入检测功能:车辆进入避险车道后车辆检测设施检测到相关信号.
2.驶入报警功能:车辆进入避险车道后,发出紧急信号,迅速通知相关人员进行临时交通组织以及施救等。
3.信息发布功能:预告避险车道可用或被占用的信息。
4.监视功能:提供避险车道现场远程图像信息。
5.广播通知功能:提醒失控车辆驾乘人员及违法占用避险车道人员及时离开。
在机电方面,同以往避险车道的差异在,一是在制动床外侧设置照明设施,亮度不易过高;二是在避险车道的末端设置监控设施,在实现实时监控的基础,可进行基于视频识别的车辆驶入事件监测。
其他消能设施、交通标志标线、护栏和隔离设施、轮廓标、排水设施等技术规范详见标准内容。
<end>